WHT蝸輪蝸桿減速機

WHT蝸輪蝸桿減速機,符合部頒標準JB2318-79,達到標準化、系列化的要求。適用于冶金、礦山、起重、運輸、化工、建筑等各種機械設備的減速傳動。本系列減速機輸入功率范圍在0.4-163KW之間;輸入扭矩在11-2600kgf·m之間,輸入軸轉數一般不大于1500轉/分;高速軸可正反兩向運轉;工作環境溫度低于0℃時,起動前潤滑油必須加溫到0℃以上。
1、本機結構為單級,包括以下四種:
(1) WHT 通用型
(2) WHX 蝸桿在下型
(3) WHS 蝸桿在上型
(4) WHC 蝸桿在側型
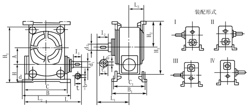
2、中心矩A mm
本系列規定為42、65、80、100、120、125、150、160、180、200、210、250、280、300、320、360、400、420、450、500共十三種。
3、公稱傳動比
本系列為8、10、12.5、16、20、25、31.5、40、50共九種。
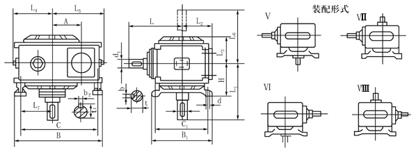
4、裝配形式
用羅馬數字Ⅰ、Ⅱ、Ⅲ……表示,帶風扇的在后面加“F”
WHT系列蝸輪減速機型號說明及標記示例(JB2318—79)




| 型號 尺寸 |
A | B | B1 | C | C1 | H | L | L1 | L2 | L3 | L4 | L5 | d | d1(gc1) | b2(gc1) | b | b1 | t | t1 | 重量/kg | ||
| WHT42 | 42 | 146 | 135 | 140 | 115 | 66.5 | 118.5 | 123 | 73.5 | 52.5 | 66 | 73 | M9 | 16 | 20 | 6 | 6 | 18.8 | 22.8 | 8 | ||
| WHT65 | 65 | 204 | 180 | 177 | 160 | 78 | 144 | 134 | 96 | 63 | 90 | 110 | M9 | 20 | 25 | 6 | 8 | 22.8 | 28.3 | 16 | ||
| WHT80 | 80 | 244 | 240 | 210 | 210 | 105 | 180 | 168 | 111 | 71 | 110 | 152 | M12 | 25 | 35 | 8 | 10 | 28.3 | 38.3 | 27~28 | ||
| WHT100 | 100 | 206 | 290 | 256 | 256 | 116 | 215 | 194 | 132 | 86 | 131 | 184 | M15 | 30 | 45 | 8 | 14 | 33.3 | 48.8 | 42~44 |
上一篇: WHC蝸輪蝸桿減速機
下一篇: WHX蝸輪蝸桿減速機

