WHS蝸輪蝸桿減速機

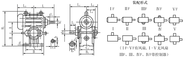
WHS蝸輪蝸桿減速機廠家是采用軸截面為圓弧形的圓柱蝸桿,蝸輪齒形與蝸桿相共軛的圓弧微型減速機,由于蝸輪與蝸桿是凸凹嚙合,在嚙合區的絕大部分綜合曲率半徑大,因而降低了齒面應力,增加了齒面強度,提高了承載能力。同時該齒形合理地減薄了蝸桿齒厚,增加了蝸輪齒板厚,因而蝸輪齒板抗彎強度增大,傳遞能力增大,還有接觸線與圓周速度夾角絕大部分在40°~90°之間,容易形成液體潤滑,齒面間摩擦系數小。


|
型號 |
a |
L |
L1 |
L2 |
L3 |
L4 |
H |
H1 |
B |
B1 |
C |
C1 |
d |
d1 |
d2 |
b |
b1 |
t |
t1 |
I1 |
I2 |
重量kg |
| WHS120 |
120 |
245 |
255 |
145 |
218 |
134 |
160 |
460 |
275 |
230 |
215 |
190 |
M16 |
35 |
55 |
10 |
16 |
37.8 |
58.5 |
70 |
108 |
100 |
| WHS125 |
125 |
235 |
235 |
145 |
225 |
134 |
160 |
416 |
270 |
230 |
210 |
190 |
M16 |
35 |
55 |
10 |
16 |
37.8 |
58.5 |
58 |
82 |
104 |
|
WHS150 |
150 |
294 |
272 |
165 |
260 |
151.6 |
200 |
495.5 |
320 |
260 |
250 |
210 |
M20 |
40 |
65 |
12 |
18 |
42.8 |
68.9 |
90 |
108 |
155 |
|
WHS160 |
160 |
290 |
290 |
165 |
265 |
154 |
200 |
510 |
330 |
270 |
250 |
220 |
M20 |
40 |
65 |
12 |
18 |
42.8 |
68.9 |
82 |
105 |
164 |
| WHS180 |
180 |
375 |
295 |
180 |
309 |
169 |
230 |
575 |
385 |
290 |
305 |
240 |
M20 |
45 |
70 |
14 |
20 |
49 |
77.4 |
70 |
102 |
230 |
| WHS200 |
200 |
360 |
345 |
195 |
365 |
184 |
250 |
643 |
430 |
320 |
330 |
270 |
M20 |
50 |
80 |
16 |
24 |
53.5 |
85 |
82 |
130 |
322 |
| WHS210 |
210 |
390 |
375 |
200 |
370 |
191 |
270 |
673.5 |
440 |
330 |
350 |
270 |
M24 |
50 |
80 |
16 |
24 |
53.5 |
85 |
110 |
168 |
340 |
| WHS250 |
250 |
430 |
370 |
220 |
430 |
209 |
310 |
773 |
520 |
370 |
410 |
310 |
M24 |
60 |
90 |
18 |
24 |
63.9 |
95 |
105 |
130 |
465 |
| WHS280 |
280 |
485 |
430 |
245 |
485 |
233 |
320 |
839 |
610 |
410 |
480 |
340 |
M24 |
60 |
100 |
18 |
28 |
63.9 |
105.7 |
105 |
165 |
725 |
| WHS300 |
300 |
540 |
465 |
250 |
520 |
236 |
350 |
906 |
630 |
410 |
510 |
340 |
M24 |
70 |
100 |
20 |
28 |
74.2 |
105.7 |
140 |
208 |
742 |
| WHS320 |
320 |
525 |
455 |
265 |
525 |
256 |
355 |
951 |
680 |
460 |
550 |
380 |
M30 |
70 |
110 |
20 |
32 |
74.2 |
116.5 |
105 |
165 |
825 |
| WHS360 |
360 |
565 |
470 |
280 |
565 |
271 |
400 |
1046 |
750 |
500 |
600 |
410 |
M30 |
70 |
120 |
20 |
32 |
74.2 |
126.5 |
105 |
165 |
1035 |
| WHS400 |
400 |
630 |
525 |
300 |
605 |
291 |
450 |
1173 |
820 |
540 |
650 |
450 |
M30 |
80 |
130 |
24 |
36 |
85 |
137.2 |
130 |
200 |
1425 |
| WHS420 |
420 |
685 |
550 |
300 |
665 |
295 |
460 |
1208 |
850 |
520 |
720 |
440 |
M30 |
90 |
140 |
24 |
36 |
95 |
147.2 |
170 |
238 |
1500 |
| WHS450 |
450 |
680 |
560 |
325 |
670 |
319 |
500 |
1312 |
910 |
590 |
730 |
490 |
M36 |
80 |
150 |
24 |
40 |
85 |
158.5 |
130 |
200 |
1830 |
| WH500 |
500 |
730 |
625 |
355 |
725 |
348 |
560 |
1460 |
1000 |
640 |
810 |
530 |
M36 |
90 |
170 |
24 |
40 |
95 |
178.5 |
130 |
240 |
2300 |

