CWO蝸輪蝸桿減速機

CWO蝸輪減速機,符合待業推薦性標準JB/T7935-95(原國標 GB9147-88),此標準達到國際九十年代水平。全系列共包括三種型號,16種中心距,12種速比。輸入功率范圍在0.39~189KW之間,輸出扭矩在107~13500N·m之間。 圓弧圓柱蝸桿軸可正、反兩個方向運轉,輸入轉速不超過1500r/min,工作環境溫度為-40~40℃時,必須采取冷卻措施。
系列減速器符合中華人民共和國國家標準(GB9147—88)
主要包括:CWU 蝸桿在下型 CWS 蝸桿在側型 CWO蝸桿在上型
中心距有16種a=63、80、100、125、140、160、180、200、225、250、280、315、355、400、450、500。
傳動比有12種i=5、6.3、8、10、12.5、16、20、25、31.5、40、50、63
標記示例

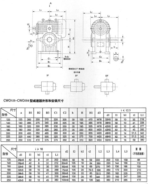
CWO63—CWO100型減速器外形和安裝尺寸


CWO63—CWO100型減速器外形和安裝尺寸

上一篇: 四軸精密雙導程蝸輪蝸桿
下一篇: ZC1圓弧齒蝸輪蝸桿

